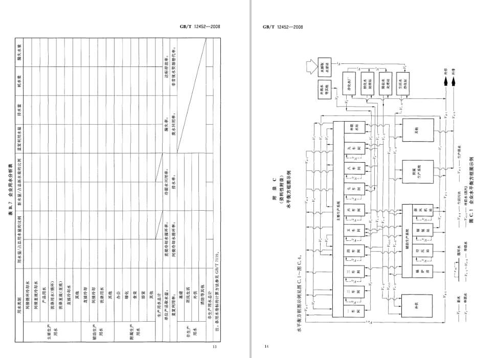
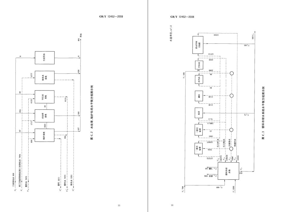
西安GB/T 12452-2008《企业水平衡测试通则》
发布时间:2022-07-28 14:07:29 来源:http://xian.bdthcl.com/ 作者:天澔管道测量公司 浏览:13911次









本文西安GB/T 12452-2008《企业水平衡测试通则》:http://xian.bdthcl.com/hangyebiaozhun/71.html由保定天澔管道测量公司小编整理发布,欢迎浏览阅读。
免责声明:我公司部分文章信息来源于网络,本网站只负责对文章进行整理、排版、编辑,如本站文章和转稿涉及版权等问题,请作者及时联系本站管理人员,我们会尽快处理。
下一篇:没有了


